SOUNDS FROM MYCELLIUM
INSPIRATION
FIRST APPROACH
Try to grow mycelium in fed by cardboard in a plastic container. There are many tutorials in Internet and many DIY videos and posts about how to grow mushrooms. Some useful likes were:
My first attempts were not successful and mycelium did not grow. Shiitake mushrooms were used.
EXPERIMENT / IDEA
The goal was to take some data from mycelium through Martin's Howse circuit for plants and mushroom amplification.
The idea was to let mycelium grow between the wires and colonize them so then we could get data out of them and translated into signs identified by humans, either sound or light.
SECOND APPROACH
Since I wasn't able to grow mycelium with cardboard and mushrooms, I took some of it that was available in the Bauhaus BioLab. It had been fed with wood so two ways of growing mycelium were implemented: Feed it with cardboard and with wood.
Mycelium was successfully grown. The idea worked as expected for Mycelium did grow around the metal cables introduced to it in the cardboard. In some pictures it can be appreciated how the lines of the metal wires are marked by mycelium.
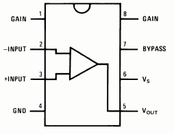
The next step to do was to build Martin's Howse plant sensing circuit. The circuit was changed a little bit and the AD620 amplifier chip was exchanged for LM386L amplifier chip but they work very similar.

